浙江太阳成集团tyc122cc入口液压科技股份有限公司
太阳成集团tyc122cc入口液压产品覆盖工程、农业、矿山、工业、环保和军工等各类车辆配套的液压阀、油缸

手机版 微官网 English


销售热线

技术热线:0576-85183757


操纵阀系列

所在位置:首页 液压产品 > 操纵阀系列 >


关键词:多路阀系列先导阀系列制动阀系列操纵阀系列农机阀系列转向阀系列

>

产品分类 Product Lists

全国服务热线:

0576-85182037

产品样册下载

销售电话:0576-85182037
技术电话:0576-85183757
传真号码:0576-85182843
联系邮箱:haihong@cn-hydraulic.com
公司地址:浙江省临海市江南街道金岭路199号


产品特点

  • 控制方式:电控;

    内置调压阀和缓冲阀;换档时,离合器油缸的升压过程是平稳、柔和的两级特性,减少了冲击和磨损;

  • 电磁阀可任意组合,通用性好,结构简单,集成化程度高。


应用领域

平地机、装载机、推土机和矿山机械变速箱系统等工程机械变速箱系统。

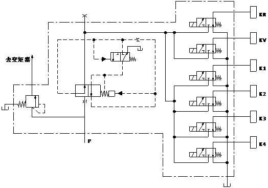
液压原理图

168

技术参数(对超出下述参数的应用场合,请与我公司联系)

概述

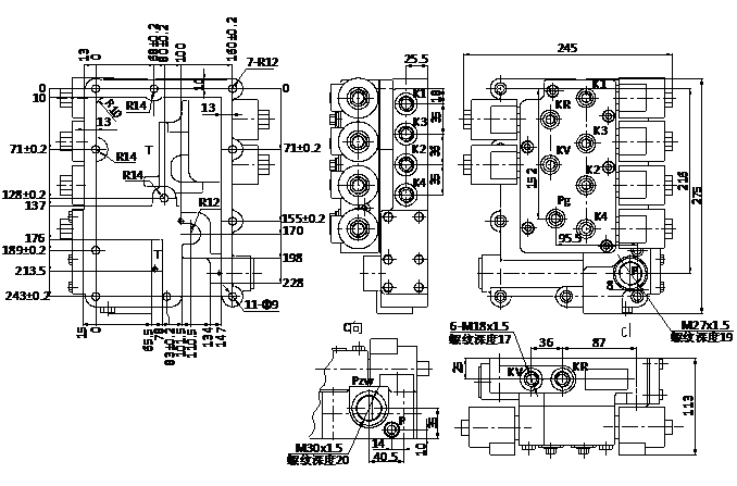
安装方式

见外形图

安装螺栓扭矩 N.m

22~39

重量

24.7

液压

公称流量 L/min

120

档位压力bar

16~20

各档位压差 bar

≤1

压力振摆 bar

≤±0.5

额定电压 V

DC24

额定电流 A

0.83(在额定电压、25℃温度下测定)

允许电压波动范围

±15%UR

液压油温度范围℃

-20~+120

粘度范围m2/s

10~380

油液允许的污染等级

-/19/16 (ISO4406:1999)

产品外形图

169


相关产品



太阳成集团tyc122cc入口液压

销售热线:0576-85182037


技术热线:0576-85183757   传真号码:0576-85182843
联系邮箱:haihong@cn-hydraulic.com   公司地址:浙江省临海市江南街道金岭路199号

友情链接: 多路阀系列 先导阀系列 制动阀系列 操纵阀系列 农机阀系列 转向阀系列 Sitemap TXT Sitemap XML 网站地图

微信二维码
微信官网

手机端二维码
手机官网